The Peruzzo Side Trim Mower Is a Sophisticated Attachment,
With Many Positioning Features & Grooming Options, All Complimented With Excellent Single Pass Performance,
Providing Efficiencies Necessary For Todays Trimming, Grooming & Maintenance Operations!
STANDARD FEATURES:
| STSC-101 SELF CONTAINED MOWER ASSEMBLY SPECIFICATIONS | ||
|---|---|---|
| MODEL | STSC-101 | STH-101 |
| Tractor | 18-50 HP / CAT 1, Adaptable to Cat 2 |
See Note 1 |
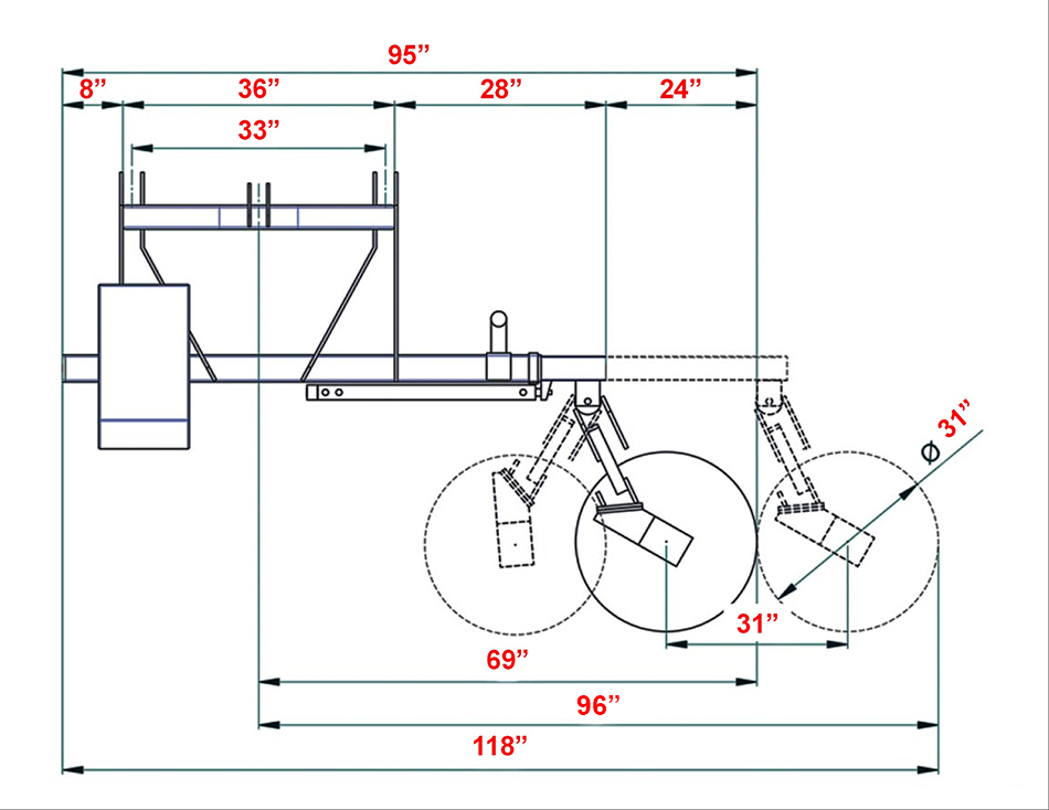
| Cutting Width | 31" Diameter | |
| Cutting Head Overall Diameter | 36" (See Note 2) | |
| Cutting Capacity | 2" Dia. | |
| Min. Cutting Height | 1-1/2" - 2" | |
| Dimension From Top of Cutter Deck to Bottom of Pan Carrier | 4" | |
| Overall Vertical Dimension (Bottom of Blade Carrier to Top of Hyd Motor) of Mower Head | 11" | |
| Mower Head Speed | 2400 RPM's | |
| Outside Edge/Max Reach of Mower Head From Hitch Frame Center-Line, Fully Retracted | 70" | N/A |
| Right Side Hyd Telescoping Offset | 24" (Requires 1 Set Hyd. Outlets) |
N/A |
| Max. Reach From Hitch Frame Center-Line, Extended | 96" | N/A |
| Hyd. Reservoir Capacity | 9 Gallons | N/A |
| Weight | 575 lbs. (w/Reservoir Full) | 175 lbs. |
| Note 1: STH-101 Mounting Bracket Intended for Attachment to Peruzzo Bull Flail Mowers. | ||
| Note 2: Foam Rubber Bumper Around the Head is 1-1/2" Dia. The Metal Channel the Rubber Bumper is Secured to is 3/4". | ||
| STSC-101 SELF CONTAINED MOWER ASSEMBLY SPECIFICATIONS | ||
|---|---|---|
| MODEL | STSC-101 | STH-101 |
| Tractor | 18-50 HP / CAT 1, Adaptable to Cat 2 |
See Note 1 |
| Cutting Width | 31" Diameter | |
| Cutting Head Overall Diameter | 36" (See Note 2) | |
| Cutting Capacity | 2" Dia. | |
| Min. Cutting Height | 1-1/2" - 2" | |
| Dimension From Top of Cutter Deck to Bottom of Pan Carrier | 4" | |
| Overall Vertical Dimension (Bottom of Blade Carrier to Top of Hyd Motor) of Mower Head | 11" | |
| Mower Head Speed | 2400 RPM's | |
| Outside Edge/Max Reach of Mower Head From Hitch Frame Center-Line, Fully Retracted | 70" | N/A |
| Right Side Hyd Telescoping Offset | 24" (Requires 1 Set Hyd. Outlets) |
N/A |
| Max. Reach From Hitch Frame Center-Line, Extended | 96" | N/A |
| Hyd. Reservoir Capacity | 9 Gallons | N/A |
| Weight | 575 lbs. (w/Reservoir Full) | 175 lbs. |
| Note 1: STH-101 Mounting Bracket Intended for Attachment to Peruzzo Bull Flail Mowers. | ||
| Note 2: Foam Rubber Bumper Around the Head is 1-1/2" Dia. The Metal Channel the Rubber Bumper is Secured to is 3/4". | ||